
About Juan Manuel Ayala
Explore My Work
Welcome to my portfolio. I am a recent Electrical Engineering graduate looking to make an impact on the world through technological advancements. Whether it is improving the environment, simplifying everyday life, or exploring the galaxy, I want to make it happen.Â
From experimental passion projects to quality designs, you will find them all here. You can learn more about my interests, education, and pursuits.
Skills
Hardware
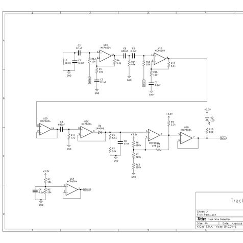
Read Schematic and Wiring Diagrams
Solder and Rework
PCB Layout Design
DC Power Converters
Op-amp circuits
Basic analog and digital circuits
Basic CMOS RF understanding
Engineering Design Tools
Altium
Cadence orCAD/PCB Designer
KiCad
Oscilloscope
Multimeter
Digital Analyzer
Spectrum Analyzer
LCR Meter
Software
Python
C/C++
Java
MATLAB
Verilog
ThreadX OS
Version Control (GIT)
Amazon Web Services API
Sensor Data processing
Fabrication
PCB Milling
3D - Printing
Solidworks CAD
Foam Core Prototyping
Laser Cutting

Get in Touch
Interested in learning more about me, my work or how we can collaborate on an upcoming project? Feel free to reach out anytime, I would be more than happy to chat.